ISO 6259: Un’Analisi Approfondita della Norma per la Determinazione delle Proprietà Tensili dei Tubi Termoplastici
La norma ISO 6259 rappresenta un riferimento essenziale per la determinazione delle proprietà di trazione dei tubi in materiali termoplastici.
L’adozione di questo standard garantisce che i tubi in plastica destinati a vari settori industriali rispettino criteri rigorosi di qualità e prestazione.
In questo articolo, analizzeremo nel dettaglio la norma, la sua suddivisione in parti, le proprietà testate e la sua applicazione nei settori industriali.
STRUTTURA DELLA NORMA ISO 6259
La ISO 6259 è composta da differenti sezioni, ognuna delle quali affronta metodologie di test specifiche per determinare le proprietà meccaniche dei tubi termoplastici:
- ISO 6259-1:2015: Definisce i principi generali per la determinazione delle proprietà di trazione, misurando parametri chiave come sforzo a snervamento, sforzo a rottura e allungamento a rottura.
- ISO 6259-2:2020: Specifica i metodi di prova per i tubi in polivinilcloruro (PVC) in diverse varianti: PVC-U (non plastificato), PVC-O (orientato), PVC-C (clorurato) e PVC-HI (ad alto impatto).
- ISO 6259-3:2015: Si occupa delle poliolefine, come polietilene (PE), polietilene reticolato (PE-X), polipropilene (PP), polibutilene (PB) e polietilene clorosolfonato (PE-CSM).
IMPORTANZA DELLE PROVE DI TRAZIONE SUI TUBI TERMOPLASTICI
Le prove di trazione valutano la capacità di un materiale di resistere a forze di allungamento. Determinare proprietà come lo sforzo a snervamento e l’allungamento a rottura è essenziale per prevedere la durabilità dei tubi sotto carichi operativi. Tali informazioni risultano cruciali per:
- Progettazione e Ingegneria: Assicurare che i tubi siano idonei alle sollecitazioni delle loro applicazioni.
- Controllo Qualità: Garantire che i prodotti rispettino gli standard richiesti.
- Certificazione e Conformità: Dimostrare la conformità alle normative internazionali per la sicurezza e la durabilità.
ISO 6259 APPLICAZIONI PRATICHE E CASI STUDIO
1) SETTORE EDILE E INFRASTRUTTURALE
Le tubazioni in materiali termoplastici sono fondamentali per le reti idriche e fognarie. Ad esempio, i tubi in PVC-U vengono utilizzati nei sistemi di drenaggio per la loro resistenza agli agenti chimici e alla corrosione.
Grazie ai test ISO 6259-2, i produttori, gli importatori e gli utilizzatori possono assicurarsi che i tubi soddisfino i requisiti strutturali richiesti per supportare carichi elevati senza deformazioni eccessive.
2) INDUSTRIA CHIMICA E PETROLCHIMICA
Le condotte per il trasporto di sostanze chimiche aggressive devono essere altamente resistenti. Il polietilene ad alta densità (PE-HD), spesso impiegato in questi contesti, è testato secondo ISO 6259-3 (pensata per i test su tubi in poliolefina) per garantire durabilità e affidabilità anche in condizioni estreme, come l’esposizione prolungata a solventi o acidi corrosivi, che possono ridurre notevolmente la resistenza alle sollecitazioni meccaniche.
3) SETTORE AGRICOLO E IRRIGAZIONE
I sistemi di irrigazione richiedono tubazioni in grado di resistere a variazioni di temperatura e pressione. Il polietilene (PE) è uno dei materiali più utilizzati in questo settore, grazie alla sua flessibilità e resistenza agli agenti atmosferici. La norma ISO 6259 assicura che questi tubi possano mantenere le loro proprietà meccaniche nel tempo, riducendo il rischio di rotture e perdite d’acqua.
Approfondimento sulle Proprietà Tensili Analizzate osservando la ISO 6259
Le prove di trazione secondo la norma oggetto di questo articolo, si concentrano su tre parametri principali:
- Sforzo a Snervamento: Indica il punto in cui il materiale inizia a deformarsi in modo permanente sotto carico. Questa proprietà è cruciale per determinare la resistenza strutturale del tubo.
- Sforzo a Rottura: Il massimo carico per unità di area che il materiale può sopportare prima di cedere completamente. Un valore elevato indica una maggiore resistenza del tubo alla trazione.
- Allungamento a Rottura: La percentuale di deformazione che il materiale può sopportare prima di rompersi. Un valore elevato suggerisce una maggiore flessibilità, utile per applicazioni soggette a movimenti o sollecitazioni dinamiche.
CAMPIONI PER LA PROVA ISO 6259
La norma descrive tre principali tipologie di provini per poter eseguire una prova di trazione che sia considerabile valida.
Provino ISO 6259 Type 1
Si tratta di un classico provino ad “osso di cane”, che viene generalmente testato con degli appositi afferraggi, al posto delle classiche pinze con morsetti.
Questo, tra gli altri motivi, per via del fatto che in questo modo si evita di “mordere” il materiale, rischiando di alterare il risultato finale
| Simbolo | Descrizione | Dimensioni mm |
| A | Lunghezza totale (min.) | 150 |
| B | Larghezza dei terminali* | 20 ± 1 |
| C | Lunghezza della porzione stretta, dai lati paralleli | 60 ± 1 |
| D | Larghezza della porzione stretta, dai lati paralleli | 10 ± 0,2 |
| E | Raggio | 60 ± 1 |
| F | Lunghezza estensimetro | 50 ± 1 |
| G | Distanza iniziale tra pinze | 115 ± 5 |
| H | Spessore | Quello del tubo |
| *Questa quota può essere maggiore in accordo con la Nota 2 di 6.1.2 |
Provino ISO 6259 Type 2
Questo secondo tipo di provino, è simile concettualmente al Type 1, e dunque richiede la medesima attrezzatura.
Il provino per prova di trazione secondo ISO 6259 del tipo 2 differisce, rispetto al tipo 1, principalmente nelle dimensioni (ridotte) sia in fatto di lunghezza totale, che di lunghezza base dell’estensimetro, che di altezza della sezione da testare.
| Simbolo | Descrizione | Dimensioni mm |
| A | Lunghezza totale (min.) | 115 |
| B | Larghezza dei terminali* | 25 ± 1 |
| C | Lunghezza della porzione stretta, dai lati paralleli | 33 ± 1 |
| D | Larghezza della porzione stretta, dai lati paralleli | 6 ± 0,2 |
| E | Raggio minore | 14 ± 1 |
| F | Raggio maggiore | 25 ± 2 |
| G | Lunghezza estensimetro | 25 ± 1 |
| H | Distanza iniziale tra le pinze | 80 ± 5 |
| I | Spessore | Quello del tubo |
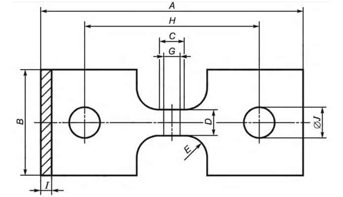
Provino ISO 6259 Type 3
Il provino del terzo tipo, differisce quasi totalmente dai precedenti due: presenta due fori per l’inserimento tra degli appositi supporti dotati di perni rimovibili, così che lo sforzo della trazione sia distribuito diversamente rispetto alla classica prova di trazione con pinze.
Presenta anche delle dimensioni decisamente maggiori rispetto a quelle degli altri due provini, dunque i carichi conseguentemente richiesto per eseguire la prova risultano a loro volta maggiori.
| Simbolo | Descrizione | Dimensioni mm |
| A | Lunghezza totale (min.) | 250 |
| B | Larghezza dei terminali* | 100 ± 3 |
| C | Lunghezza della porzione stretta, dai lati paralleli | 25 ± 1 |
| D | Larghezza della porzione stretta, dai lati paralleli | 25 ± 1 |
| E | Raggio | 25 ± 1 |
| G | Lunghezza estensimetro | 20 ± 1 |
| H | Distanza iniziale tra le pinze | 165 ± 5 |
| I | Spessore | Quello del tubo |
| J | Diametro del foro | 30 ± 5 |
Benefici dell’Adozione della Norma ISO 6259
L’applicazione della norma, oltre chiaramente alla possibilità di certificare i propri prodotti, porta numerosi vantaggi all’industria dei tubi termoplastici:
- Coerenza nei Test: Fornisce un metodo uniforme per confrontare le prestazioni dei materiali tra produttori e laboratori.
- Affidabilità e Sicurezza: Minimizza il rischio di guasti nelle applicazioni critiche, aumentando la sicurezza dei prodotti.
- Facilitazione del Commercio Globale: Assicura che i materiali rispettino standard accettati a livello internazionale, facilitando esportazioni e certificazioni.
- Riduzione dei Costi di Produzione: Standardizzando i test, le aziende possono ottimizzare i processi produttivi e ridurre scarti e difetti.
Considerazioni finali
L’implementazione della norma ISO 6259 è fondamentale per garantire che i tubi termoplastici impiegati nei diversi settori industriali siano sicuri, affidabili e conformi agli standard internazionali.
La sua applicazione contribuisce a mantenere elevati livelli di qualità, facilitando il commercio globale e promuovendo l’innovazione nel settore dei materiali plastici.
In un contesto industriale in continua evoluzione, il rispetto della norma ISO 6259 rimane un elemento chiave per assicurare la durabilità e la sostenibilità delle infrastrutture moderne.
Con il crescente focus sulla sicurezza e l’efficienza dei materiali, l’adozione di standard rigorosi come ISO 6259 sarà sempre più determinante per lo sviluppo di soluzioni avanzate nel settore delle tubazioni termoplastiche, e dunque di campi come quello dell’edilizia e dell’urbanistica.
MACCHINE PER PROVE SECONDO ISO 6259 : TRAZIONE SU TUBI IN TERMOPLASTICA
Contattaci per qualsiasi necessità
Easydur è specializzata nella progettazione e produzione di macchine e accessori per eseguire prove basate su questa, e molte altre norme: non esitare a contattarci per maggiori informazioni, e per esporci la tua necessità di prova.
Nota bene: per ulteriori approfondimenti sulla norma oggetto di questo articolo, visita il link ufficiale UNI-EN-ISO.















